Только до 30 апреля,
-22% на водонагреватели из нержавеющей стали объемом 500 литров
Бесплатный звонок по РФ
8 800 100-24-65
Магазины и сервис в городе
Выбрать
К сравнению
Магазины и сервис в городе
Выбрать
inbox@nvsk.net

Промышленный электрокотел 135 кВт

558 600

Промышленный электрокотел 135 кВт применяется для отопления больших производственных и общественных зданий. Шкаф автоматики и управления котла имеет встроенный погодозависимый контроллер и обеспечивает многоступенчатую защиту как каждого нагревательного элемента, так и всего котла в целом по всем возможным параметрам.

Основные преимущества электрических котлов 135 кВт:
•тройной контроль температуры теплоносителя
•двойной контроль давления теплоносителя
•тройной контроль наличия теплоносителя
•индивидуальная защита от короткого замыкания каждого ТЭНа
•контроль залипания контакторов
•наличие резервной системы управления
•погодозависимое управление.
•ПИД-регулирование с автоматическим выбором оптимального количество ступеней мощности.
•ротация нагревательных элементов
•возможность управления через шину RS 485
•обесточивание при снятии крышки котла

Гарантия производителя 24 месяцев
Декларация соответствия Таможенного союза
Артикул
КЭН-П-08-135
Номинальное напряжение питания ±10%
400
Преимущества
Нержавеющий блок-ТЭН
Нержавеющий блок-ТЭН
Нержавеющий блок-ТЭНы, установленные в латунную или стальную гайку, не подвержены коррозии, уплотняются фторопластовой прокладкой.
Крепление ТЭНов на общей гайке
Крепление ТЭНов на общей гайке
Блок-ТЭНы состоят из 3-х ТЭНов, установленных в общую латунную или стальную гайку. Блок-ТЭНы, в отличие от ТЭНов на фланце удобны в эксплуатации и техническом обслуживании
Защита внутренних элементов
Защита внутренних элементов
Дополнительная теплоизоляция позволяет лучше сохранять тепло в котле увеличивая его КПД. Защищают внутренние элементы котла от перегревания.
Защита от перегрузок
Защита от перегрузок
Автоматические выключатели предназначены для защиты электрических цепей от перегрузок и токов короткого замыкания, а также для оперативного управления участками электрических цепей.
Защита от перегрева
Защита от перегрева
Электрический котел снабжен термоограничителем, который отключает электронагреватель по достижении предельной температуры воды, что позволяет избежать перегрева теплоносителя.
Цифровой терморегулятор
Цифровой терморегулятор
Высокая цифровая точность регулирования и поддержания температуры теплоносителя в электрокотле.
Манометр
Манометр
Манометр позволяет контролировать давление в котле.
Воздухоотведение
Воздухоотведение
Воздухоотведение возможно в ручном режиме с помощью предохранительных клапанов
Предохранительный клапан
Предохранительный клапан
Предохранительный клапан предназначен для автоматического сброса давления сверх допустимого, путем выпуска рабочей среды в атмосферу.
Защита от слива теплоносителя
Защита от слива теплоносителя
В верхней части корпуса прибора установлен датчик уровня (наличия теплоносителя), он обеспечивает отключение питания электрокотла в случае отсутствия теплоносителя в баке.
Варианты подключения кабеля
Варианты подключения кабеля
Вводные шины ШАУ допускают подключение либо провода, либо шины, либо четырех проводов меньшего сечения. Внутри ШАУ вводные шины закрыты прозрачным экраном-изолятором.Подвод питающего кабеля или кабельного лотка от котла к ШАУ возможен с четырех сторон. Варианты подключения
Ступени мощности
Ступени мощности
Несколько ступеней мощности делают регулировку температуры более плавной. Включение и выключение ступеней осуществляется каскадно – с задержкой нагрузка на контакторы и общую сеть снижается.
Автоматическая система охлаждения
Автоматическая система охлаждения
Автоматическое охлаждение предназначено для создания принудительной вентиляции шкафов автоматики и управления с целью защиты оборудования от перегрева. Вентиляторы дополнительно выполняют фильтрацию воздуха, нагнетаемого внутрь шкафа.
Возможность применения незамерзающей жидкости
Возможность применения незамерзающей жидкости
В электрокотлах "Невский" используются высококачественные ТЭНы из нержавеющей стали, что позволяет использовать в качестве теплоносителя как воду, так и незамерзающие гликолевые жидкости.
Экологичность
Экологичность
Электрокотлы безопаснее, чем твердотопливные или жидкотопливные, не выделяют дыма и угарного газа, не требуют чистки. Электрокотлы можно использовать, как основной или резервный источник тепла.
ПИД-регулирование
ПИД-регулирование
Управление прибором по датчику температуры может осуществляться в режиме пропорционально-интегрально-дифференцирующего регулирования (ПИД-регулирования) с автоматическим выбором оптимального количество ступеней мощности.
Настройка гистерезиса
Настройка гистерезиса
Ограничение min / max температуры нагрева. Настройка гистерезиса - точности поддержания температуры включения и выключения – экономит ресурсы контакторов.
Электронный переключатель фаз
Электронный переключатель фаз
Переключатель фаз обеспечивает бесперебойное питание цепей управления котла; защищает цепи от недопустимых колебаний напряжения в сети; в зависимости от наличия и качества напряжения на фазах автоматически производит выбор наиболее подходящей фазы и подает ее на цепь управления.
Реле протока
Реле протока
Реле протока отключает электрокотел при отсутствии циркуляции теплоносителя в системе, что позволяет исключить перегрев теплоносителя.
Датчик давления
Датчик давления
Датчик отключает прибор при превышении максимального давления в системе, что помогает исключить деформацию и выход из строя котла.
Встроенный погодозависимый контроллер
Встроенный погодозависимый контроллер
ШАУ котла имеет встроенный погодозависимый контроллер "Невский", Вы можете не беспокоиться о колебаниях уличной температуры. Контроллер отследит температурные изменения на улице и в соответствии с этим подаст нужную команду котлу. Суммарная экономия электроэнергии в течение отопительного сезона при применении контроллера составляет 25-35%
Технические характеристики
ХАРАКТЕРИСТИКИ ПОКАЗАТЕЛИ ЕДИНИЦЫ ИЗМЕРЕНИЯ
Артикул КЭН-П-08-135
Номинальная мощность, ±5% 135 кВт
Номинальное напряжение питания ±10% 400 В
Максимальное давление 0,6 [6] МПа [Bar]
Высота бака котла 1340 мм
Ширина бака котла 470 мм
Глубина бака котла 650 мм
Высота ШАУ 1210 мм
Ширина ШАУ 570 мм
Глубина ШАУ 185 мм
Количество нагревательных групп 6 групп
Максимальная мощность одной группы 35 кВт
Диапазон регулирования температуры теплоносителя 5 - 90 ºC
Номинальный ток автоматического выключателя, при напряжении питания 400 В 250 А
Требуемая площадь поперечного сечения медного провода подводящего кабеля, при напряжении питания 400 В 95 мм²
Рекомендуемая отапливаемая площадь при высоте потолков не более 2,7м; t нар. -25°С 1350 м²
Объем бака 120 л
Масса 127 кг
Объем в упаковке. Котел + ШАУ 1,2 м³
Устройство
Устройство КЭН-П
Габариты
Промышленный электрокотел 135 кВт
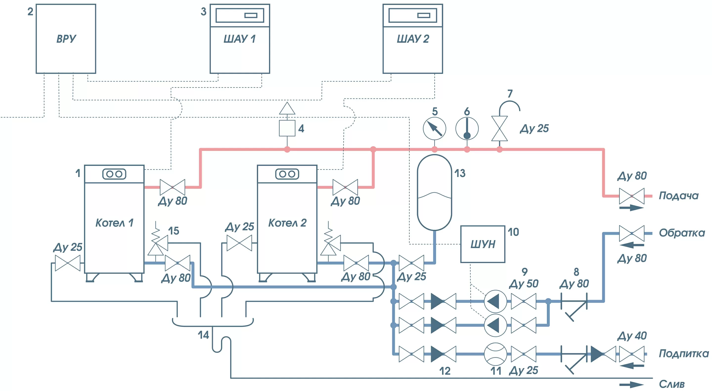
Варианты обвязки электрокотла
Электрокотел "Промышленный" с радиаторами или конвекторами Электрокотел "Промышленный" с радиаторами или конвекторами Электрокотел с теплым водяным полом Электрокотел с теплым водяным полом  Электрокотел с воздушно-отопительными приборами с водяным контуром Электрокотел с воздушно-отопительными приборами с водяным контуром Электрокотел с газовым или дизельным котлом Электрокотел с газовым или дизельным котлом Электрокотел с твердотопливным котлом Электрокотел с твердотопливным котлом Электрокотел с водонагревателем накопительного типа с внешним пластинчатым теплообменником. Электрокотел с водонагревателем накопительного типа с внешним пластинчатым теплообменником.  Электрокотел с водонагревателем накопительного типа с внутренним трубчатым теплообменником. Электрокотел с водонагревателем накопительного типа с внутренним трубчатым теплообменником.  Электрокотел с аккумуляционной накопительной ёмкостью Электрокотел с аккумуляционной накопительной ёмкостью  Электрокотел параллельно с централизованной системой теплоснабжения Электрокотел параллельно с централизованной системой теплоснабжения  Электрокотел с централизованной системой теплоснабжения с закрытым контуром Электрокотел с централизованной системой теплоснабжения с закрытым контуром
Документы
Вид Наименование продукции Листовка Каталог продукции Паспорт продукции Схемы 2D Схемы 3D Сертификаты качества Схемы обвязки Фотографии
Электрокотлы "Невский" Промышленный 60-500 кВт

Промышленные электрические котлы отопления «Невский» 135 кВт

Снабжение теплом помещений размером до 1350 квадратных метров может обеспечиваться электрическими котельными относительно небольшой мощности. Выбирая для отопления электрические промышленные котлы на 135 кВт производства компании «Невский», вы получаете качественное, безопасное, экологичное оборудование, которое не выделяет дыма и угарного газа и безотказно работает в течение долгих лет.

Надежность промышленных электрокотлов 135 кВт обеспечивается автоматическими системами защиты:

  • Ограничение нагрева за счет аварийного термовыключателя.
  • Защита электроцепей при коротком замыкании или перегрузках.
  • Датчик, контролирующий наличие теплоносителя.
  • Предохранительный клапан и специальный датчик, которые не допускают превышения давления.

Наше оборудование отличается высокой точностью регулировки, что достигается за счет применения многоступенчатой системы нагрева, а также цифровых регуляторов температуры. Управление промышленным электрическим котлом на 135 кВт вынесено в отдельный корпус — шкаф автоматики и управления (ШАУ). Это повышает надежность конструкции, так как не допускает излишнего перегрева систем регулировки.

Доставка промышленных электрокотлов на 135 кВт проводится с помощью транспортных компаний по всей территории России. Также вы можете самостоятельно забрать оборудование с нашего склада в Санкт-Петербурге.

Звоните по номеру 8 (800) 533-89-45, чтобы по доступным ценам купить промышленные электрокотлы на 135 кВт от российского производителя — компании «Невский». Обратившись к нам, вы сможете узнать актуальную стоимость оборудования и получить профессиональную консультацию по вопросам розничной и оптовой продажи, доставки и технического обслуживания электрических котельных.